
产品描述
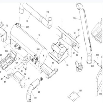
排气系统是指连接燃烧室的排气口,经由排气歧管及排气管尾段将废气排放,并将高温及高压的废气排放产生的噪音降低。如果排气管无法迅速排光燃烧后的废气,进气也相对无法完全吸入新鲜空气;此刻残留在燃烧室内的废排气,将会影响到下一次的燃烧效能。
免责声明丨 部分内容来源网络!本文仅供交流学习 , 版权归属原作者,部分图片、内容推送时未能及时与原作者取得联系,若来源标注错误或侵犯到您的权益烦请告知,我们将立即删除.
企业介绍
公司供应摊铺机配件,压路机配件,铣刨机配件,摊铺机刮板驱动轴,刮板驱动轴总成,找平仪,找平仪支架以及液压泵和配件。还供应摊铺机易损件,摊铺机平衡梁,搅龙轴,踏板,输料底板,叶片,熨平板,减速机,链轨,履带板,支重轮,刮板大链条,输料链条等。
联系人:梁经理
联系方式:13645201509(微信同号)
QQ:2870202745
QQ邮箱:2870202745@qq.com
网易邮箱:LS13645201509@163.com
WhatsApp:+86 13645201509
The exhaust system refers to the exhaust port connected to the combustion chamber, which discharges exhaust gas through the exhaust manifold and exhaust pipe tail section, and reduces the noise generated by high-temperature and high-pressure exhaust emissions. If the exhaust pipe cannot quickly exhaust the burned exhaust gas, the intake will also be relatively unable to completely suck in fresh air; The exhaust gas remaining in the combustion chamber at this moment will affect the efficiency of the next combustion.
Disclaimer | Some content is sourced from the internet! This article is for communication and learning purposes only. The copyright belongs to the original author. Some images and content were not promptly contacted when pushed. If the source annotation is incorrect or infringes on your rights, please inform us and we will immediately delete it
Company Introduction
The company supplies paver accessories, roller accessories, milling machine accessories, paver scraper drive shaft, scraper drive shaft assembly, leveling instrument, leveling instrument bracket, hydraulic pump and accessories. We also supply vulnerable parts for pavers, including balance beams, agitator shafts, pedals, feeding base plates, blades, ironing plates, reducers, chain rails, track plates, support wheels, scraper chains, and feeding chains.
Contact: Manager Liang
Contact information: 13645201509 (same WeChat account)
QQ:2870202745
QQ Mail 2870202745@qq.com
NetEase email: LS13645201509@163.com
WhatsApp:+86 13645201509
volvo摊铺机配件与维修,欢迎广大客商致电!
手机同微信号:13645201509
联系人:梁经理
QQ邮箱:2870202745@qq.com
网易邮箱:LS13645201509@163.com
WhatsApp:+86 13645201509


